Valikko »
Pääsivu
Pääsivu
Facebook
Etusivu
Ohjeet
Haku
Kalenteri
Kirjaudu
Rekisteröidy
Vieras
Kirjaudu
Rekisteröidy
VMPK ry Foorumi
Moottoripyörät
Japsipyörät
Aihe:
500F K2 koneen osan etsimistä
« edellinen
seuraava »
Tulostusversio
Sivuja: [
1
]
Siirry alas
Kirjoittaja
Aihe: 500F K2 koneen osan etsimistä (Luettu 3594 kertaa)
Helmikuu 24, 2013, 16:38:43 ip
Luettu 3594 kertaa
Erkka Kokko
Jäsentiedot
Viestejä:
166
500F K2 koneen osan etsimistä
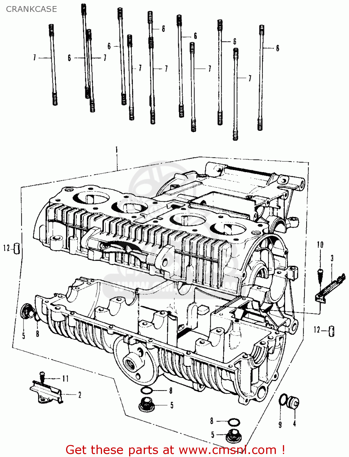
Eli linkin mukainen osa olisi hakusessa. (osa 3 )
http://images.cmsnl.com/img/partslists/honda-cb500-500-four-k2-usa-crankcase_bighu0102e3019_8487.gif
Käytettykin käy kuhan on kokonainen. Omasta päästä murtunut iso pala ja mistään ei tunnu löytyvän uutta eikä käytettyä :S
Aikas tympiä jos jää kone kasaamatta tuon osan takia.
Apu olisi kyllä nytten todella tarpeen.
Kirjattu
Honda Cb 500 Four
http://www.facebook.com/media/set/?set=a.10150328972844916.358460.822784915&type=1&l=71a1347c3f
Tulostusversio
Sivuja: [
1
]
Siirry ylös
« edellinen
seuraava »
VMPK ry Foorumi
Moottoripyörät
Japsipyörät
Aihe:
500F K2 koneen osan etsimistä